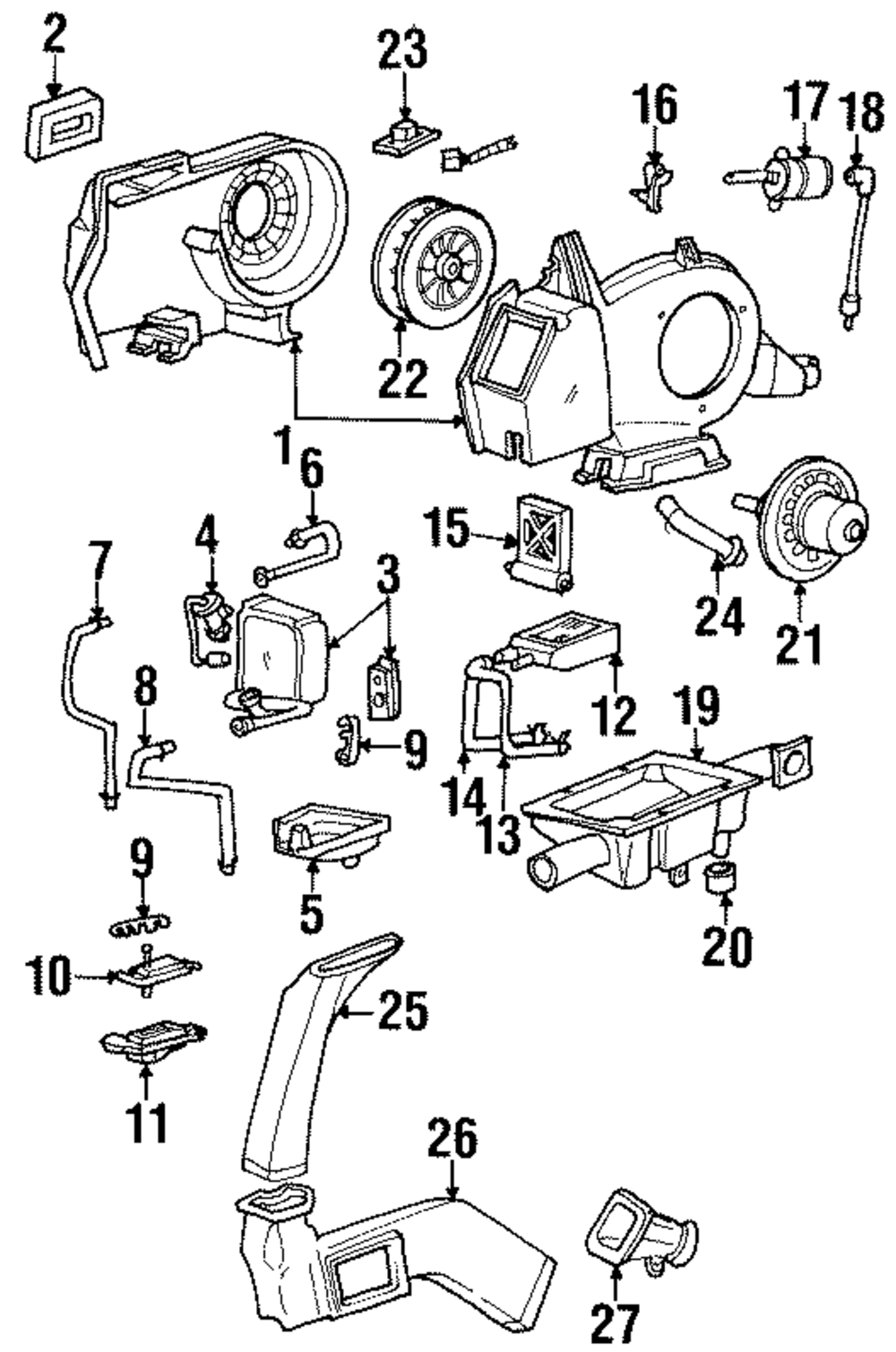
Blower Motor - FORD (f58z19805ea)
Blower Motor - FORD (f58z19805ea)
- FORD
- f58z19805ea
- f58z19805d
- FORD
- f58z19805ea
- f58z19805d
Also Purchased
Vehicle Fitment
Select Your Vehicle Select
| Year | Make | Model | Body & Trim | Engine & Transmission |
|---|
