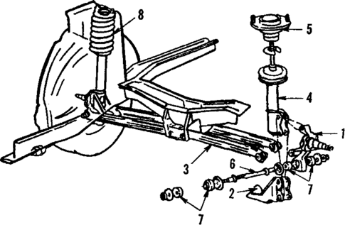
Rear Suspension for 1992 Mercury Topaz
No.
Part # / Description / Price
Price
1
3
Control Arm
Ford
Ford Positions: Left
Description: 2wd. Without all wheel drive, rear. Awd. Tempo, Topaz. 2.3l. With all wheel drive, lower rear.
3
Control Arm
Ford
Ford Description: 2wd. Awd. Tempo, Topaz. 2.3l. Without all wheel drive, lower. With all wheel drive, lower front.
4
5
Strut Mount
Ford
Ford Description: Tempo, Topaz. Without sport or GT suspension. Without trx suspension. Awd. 2wd, without sport suspension.
5
Strut Mount
Ford
Ford Description: Tempo, Topaz. 2wd. With trx suspension. Sport Suspension. GT Suspension.
7
Bushing
Ford
Ford Description: Tempo, Topaz. To 02/25/1985. Body side. All models. Awd, body end. Without heavy duty.
8
Coil Spring
Ford
Ford Notes: Parts And Prices Are For Estimating Purposes Only Order By Year And Spring Code
Description: Tempo, Topaz.
No.
Part # / Description / Price
Price
1
Spindle
Ford
Ford Positions: Left
Description: Without awd. All models. Right or left. 2wd. Tempo, Topaz. (3/85 - 87),.
2
Control Arm
Ford
Ford Positions: Right
Description: 2wd. Awd. Tempo, Topaz. 2.3l. Without all wheel drive, lower. With all wheel drive, lower front.
5
Shock Absorber
Ford
Ford Positions: Left
Description: 2wd. Hd. Standard, without awd. Sport, without awd.
8
Grease Cap
Ford
Ford Description: 2wd. 1986-89 sedan. 1990. 1986-89 station wagon. Dust cap. Sedan with drum brakes. (81 to 3/85),.
11
Bearing
Ford
Ford Positions: Left
Description: Tempo, Topaz. Without awd. All models. 2wd. (3/85 - 87), inner. (81 to 3/85), inner.
12
Grease Seal
Ford
Ford Description: Tempo, Topaz. Without awd. All models. Wheel seal. 2wd. Rear. (3/85 - 87),. (81 to 3/85), grease retainer.
13
Backing Plate
Ford
Ford Positions: Left
Description: 2wd. Without awd. (3/85 - 87), 8. (81 to 3/85), 8 inch.
13
Backing Plate
Ford
Ford Positions: Right
Description: 2wd. Without awd. (3/85 - 87), 8. (81 to 3/85), 8 inch.
Related Parts
Part # / Description / Price
Price
Radius Rod Bushing Kit
Ford
Ford Description: All models. Spindle side. Continental. Rear. Awd, spindle end. With heavy duty. (3/85 - 87),.

