Blower Motor & Fan for 1995 Ford Thunderbird
Vehicle
1995 Ford Thunderbird
Change Vehicle
- Bumper & Components - Front
- Bumper & Components - Rear
- Center Console
- Cowl
- Door
- Door & Components
- Exterior Trim - Door
- Exterior Trim - Pillars
- Exterior Trim - Quarter Panel
- Exterior Trim - Roof
- Exterior Trim - Trunk
- Fender & Components
- Floor & Rails
- Front Seat Components
- Glass - Door
- Glass - Windshield
- Glass & Hardware
- Glass & Hardware - Back
- Hinge Pillar
- Hood & Components
- Inner Structure
- Instrument Panel
- Interior Trim - Door
- Interior Trim - Pillars
- Interior Trim - Quarter Panels
- Interior Trim - Rear Body
- Interior Trim - Roof
- Lid & Components
- Lock & Hardware
- Outside Mirrors
- Quarter Panel & Components
- Rear Body
- Rear Floor & Rails
- Reveal Moldings
- Rocker
- Roof & Components
- Sound System
- Structural Components & Rails
- Sunroof
- Tracks & Components
- Trunk
- Wiper & Washer Components
- ABS Components
- Air Bag Components
- Alternator
- Antenna & Radio
- Anti-Theft Components
- Battery
- Battery & Related Components
- Bulbs - Chassis
- Cruise Control System
- Distributor
- Door
- Electrical Components
- Flasher Units, Fuses, & Circuit Breakers
- Flashers
- Fog Lamps
- Front Seat Belts
- Fuse & Relay
- Gauges
- Glass, Windows & Related Components
- Headlamp Components
- High Mounted Stop Lamp
- Horn
- Ignition Lock
- Ignition System
- Instruments & Gauges
- License Lamps
- Lumbar Control Seats
- Mirrors
- Park Lamps
- Power Seats
- Powertrain Control
- Rear Seat Belts
- Ride Control Components
- Senders
- Sensors
- Starter
- Starter & Related Components
- Sunroof
- Switches
- Switches, Solenoids & Actuators
- Tail Lamps
- Trunk
- Window Defroster
- Wipers
- A/C Clutch & Compressor
- A/C Condenser & Evaporator
- A/C Flow Restrictors
- Automatic Temperature Controls
- Blower Motor & Fan
- Condenser, Compressor & Lines
- Controls
- Evaporator Components
- Heater
- Heater Components
- Motors, Core, Case & Related Components
- Switches & Sensors
- Switches, Solenoids & Actuators
- Temperature Controls & Related Components
- Bumper & Components - Front
- Bumper & Components - Rear
- Center Console
- Cowl
- Door
- Door & Components
- Exterior Trim - Door
- Exterior Trim - Pillars
- Exterior Trim - Quarter Panel
- Exterior Trim - Roof
- Exterior Trim - Trunk
- Fender & Components
- Floor & Rails
- Front Seat Components
- Glass - Door
- Glass - Windshield
- Glass & Hardware
- Glass & Hardware - Back
- Hinge Pillar
- Hood & Components
- Inner Structure
- Instrument Panel
- Interior Trim - Door
- Interior Trim - Pillars
- Interior Trim - Quarter Panels
- Interior Trim - Rear Body
- Interior Trim - Roof
- Lid & Components
- Lock & Hardware
- Outside Mirrors
- Quarter Panel & Components
- Rear Body
- Rear Floor & Rails
- Reveal Moldings
- Rocker
- Roof & Components
- Sound System
- Structural Components & Rails
- Sunroof
- Tracks & Components
- Trunk
- Wiper & Washer Components
- ABS Components
- Air Bag Components
- Alternator
- Antenna & Radio
- Anti-Theft Components
- Battery
- Battery & Related Components
- Bulbs - Chassis
- Cruise Control System
- Distributor
- Door
- Electrical Components
- Flasher Units, Fuses, & Circuit Breakers
- Flashers
- Fog Lamps
- Front Seat Belts
- Fuse & Relay
- Gauges
- Glass, Windows & Related Components
- Headlamp Components
- High Mounted Stop Lamp
- Horn
- Ignition Lock
- Ignition System
- Instruments & Gauges
- License Lamps
- Lumbar Control Seats
- Mirrors
- Park Lamps
- Power Seats
- Powertrain Control
- Rear Seat Belts
- Ride Control Components
- Senders
- Sensors
- Starter
- Starter & Related Components
- Sunroof
- Switches
- Switches, Solenoids & Actuators
- Tail Lamps
- Trunk
- Window Defroster
- Wipers
- A/C Clutch & Compressor
- A/C Condenser & Evaporator
- A/C Flow Restrictors
- Automatic Temperature Controls
- Blower Motor & Fan
- Condenser, Compressor & Lines
- Controls
- Evaporator Components
- Heater
- Heater Components
- Motors, Core, Case & Related Components
- Switches & Sensors
- Switches, Solenoids & Actuators
- Temperature Controls & Related Components
Browse Categories
Select category
- Bumper & Components - Front
- Bumper & Components - Rear
- Center Console
- Cowl
- Door
- Door & Components
- Exterior Trim - Door
- Exterior Trim - Pillars
- Exterior Trim - Quarter Panel
- Exterior Trim - Roof
- Exterior Trim - Trunk
- Fender & Components
- Floor & Rails
- Front Seat Components
- Glass - Door
- Glass - Windshield
- Glass & Hardware
- Glass & Hardware - Back
- Hinge Pillar
- Hood & Components
- Inner Structure
- Instrument Panel
- Interior Trim - Door
- Interior Trim - Pillars
- Interior Trim - Quarter Panels
- Interior Trim - Rear Body
- Interior Trim - Roof
- Lid & Components
- Lock & Hardware
- Outside Mirrors
- Quarter Panel & Components
- Rear Body
- Rear Floor & Rails
- Reveal Moldings
- Rocker
- Roof & Components
- Sound System
- Structural Components & Rails
- Sunroof
- Tracks & Components
- Trunk
- Wiper & Washer Components
- ABS Components
- Air Bag Components
- Alternator
- Antenna & Radio
- Anti-Theft Components
- Battery
- Battery & Related Components
- Bulbs - Chassis
- Cruise Control System
- Distributor
- Door
- Electrical Components
- Flasher Units, Fuses, & Circuit Breakers
- Flashers
- Fog Lamps
- Front Seat Belts
- Fuse & Relay
- Gauges
- Glass, Windows & Related Components
- Headlamp Components
- High Mounted Stop Lamp
- Horn
- Ignition Lock
- Ignition System
- Instruments & Gauges
- License Lamps
- Lumbar Control Seats
- Mirrors
- Park Lamps
- Power Seats
- Powertrain Control
- Rear Seat Belts
- Ride Control Components
- Senders
- Sensors
- Starter
- Starter & Related Components
- Sunroof
- Switches
- Switches, Solenoids & Actuators
- Tail Lamps
- Trunk
- Window Defroster
- Wipers
- A/C Clutch & Compressor
- A/C Condenser & Evaporator
- A/C Flow Restrictors
- Automatic Temperature Controls
- Blower Motor & Fan
- Condenser, Compressor & Lines
- Controls
- Evaporator Components
- Heater
- Heater Components
- Motors, Core, Case & Related Components
- Switches & Sensors
- Switches, Solenoids & Actuators
- Temperature Controls & Related Components
- Bumper & Components - Front
- Bumper & Components - Rear
- Center Console
- Cowl
- Door
- Door & Components
- Exterior Trim - Door
- Exterior Trim - Pillars
- Exterior Trim - Quarter Panel
- Exterior Trim - Roof
- Exterior Trim - Trunk
- Fender & Components
- Floor & Rails
- Front Seat Components
- Glass - Door
- Glass - Windshield
- Glass & Hardware
- Glass & Hardware - Back
- Hinge Pillar
- Hood & Components
- Inner Structure
- Instrument Panel
- Interior Trim - Door
- Interior Trim - Pillars
- Interior Trim - Quarter Panels
- Interior Trim - Rear Body
- Interior Trim - Roof
- Lid & Components
- Lock & Hardware
- Outside Mirrors
- Quarter Panel & Components
- Rear Body
- Rear Floor & Rails
- Reveal Moldings
- Rocker
- Roof & Components
- Sound System
- Structural Components & Rails
- Sunroof
- Tracks & Components
- Trunk
- Wiper & Washer Components
- ABS Components
- Air Bag Components
- Alternator
- Antenna & Radio
- Anti-Theft Components
- Battery
- Battery & Related Components
- Bulbs - Chassis
- Cruise Control System
- Distributor
- Door
- Electrical Components
- Flasher Units, Fuses, & Circuit Breakers
- Flashers
- Fog Lamps
- Front Seat Belts
- Fuse & Relay
- Gauges
- Glass, Windows & Related Components
- Headlamp Components
- High Mounted Stop Lamp
- Horn
- Ignition Lock
- Ignition System
- Instruments & Gauges
- License Lamps
- Lumbar Control Seats
- Mirrors
- Park Lamps
- Power Seats
- Powertrain Control
- Rear Seat Belts
- Ride Control Components
- Senders
- Sensors
- Starter
- Starter & Related Components
- Sunroof
- Switches
- Switches, Solenoids & Actuators
- Tail Lamps
- Trunk
- Window Defroster
- Wipers
- A/C Clutch & Compressor
- A/C Condenser & Evaporator
- A/C Flow Restrictors
- Automatic Temperature Controls
- Blower Motor & Fan
- Condenser, Compressor & Lines
- Controls
- Evaporator Components
- Heater
- Heater Components
- Motors, Core, Case & Related Components
- Switches & Sensors
- Switches, Solenoids & Actuators
- Temperature Controls & Related Components
3
- $249.90Motorcraftâ„¢ CompressorFord
- $249.90CompressorFordMotorcraft A/C Compressor Assemblies are Engineered to meet strict Ford Engineering standards resulting in original equipment performance and reliability. Motorcraft Compressor Assemblies include scroll Type compressors for heavy duty applications and fix ...
3
- $249.90Motorcraftâ„¢ CompressorFord
- $249.90CompressorFordMotorcraft A/C Compressor Assemblies are Engineered to meet strict Ford Engineering standards resulting in original equipment performance and reliability. Motorcraft Compressor Assemblies include scroll Type compressors for heavy duty applications and fix ...
4
- HoseFORDCougar, Thunderbird. Evaporator to compressor. 3.8l. 3.8L, dehydrator & suction hose, without super coupe. 3.8L, suction with drier, without supercharger. (Unavailable)
- HoseFORDCougar, Thunderbird. Evaporator to compressor. 3.8l. With supercharger. 3.8L, dehydrator & suction hose, with sc. (Unavailable)
4
- HoseFORDCougar, Thunderbird. Evaporator to compressor. 3.8l. 3.8L, dehydrator & suction hose, without super coupe. 3.8L, suction with drier, without supercharger. (Unavailable)
- HoseFORDCougar, Thunderbird. Evaporator to compressor. 3.8l. With supercharger. 3.8L, dehydrator & suction hose, with sc. (Unavailable)
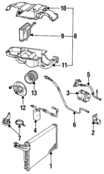
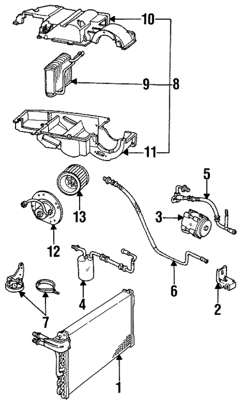
No.
Part # / Description / Price
Price
1
A/C Condenser
FORD
FORD Description: 3.8L, without super coupe. 4.6L. Cougar, Thunderbird. Without supercharger. 3.8l.
3
Motorcraft™ Compressor
Ford
Ford Notes: PARTS: Compressor includes clutch, pulley, and coil.
MSRP $363.49
$249.90
MSRP $363.49
$249.90
3
A/C Compressor
Ford
Ford Notes: PARTS: Compressor includes clutch, pulley, and coil.
Description: Motorcraft A/C Compressor Assemblies are Engineered to meet strict Ford Engineering standards resulting in original equipment performance and reliability. Motorcraft Compressor Assemblies include scroll Type compressors for heavy duty applications and fix ...
MSRP $363.49
$249.90
MSRP $363.49
$249.90
4
AC Hoses
FORD
FORD Description: Cougar, Thunderbird. Evaporator to compressor. 3.8l. 3.8L, dehydrator & suction hose, without super coupe. 3.8L, suction with drier, without supercharger.
4
AC Hoses
FORD
FORD Description: Cougar, Thunderbird. Evaporator to compressor. 3.8l. With supercharger. 3.8L, dehydrator & suction hose, with sc.
5
5
Hose
FORD
FORD Description: 3.8L, manifold & tube assembly, without super coupe. 3.8L, manifold assembly, compressor, without supercharger.
6
AC Hoses
FORD
FORD Description: Cougar, Thunderbird. Dryer to evaporator. 3.8l. 3.8L, cond to evaporator.
7
8
Evaporator Core Seal
FORD
FORD Description: Rear. Electric control. With auto controls. 1993-96. 1997-98, ventilation, auto ac.
8
Evaporator Core
FORD
FORD Description: Cougar, Thunderbird. Manual control. Without auto controls. 1997-98, ventilation, manual ac.
12
Blower Motor
Ford
Ford Description: 1997-07, auxiliary ac & heater component. Auxiliary unit. 1992-96, auxiliary ac & heater component. E150-350 vans. Cougar, Thunderbird. 1993-96. Mark VIII.
13
Fan Assembly
Ford
Ford Description: Rear. Front ac. Front, from 11/94. Without dual zone a/c. 2004-06. 2003-05. Front, with dual zone temp control. Front without dual zone.
MSRP $26.20
$20.17
MSRP $26.20
$20.17
13
Motorcraft™ HVAC Blower Motor Wheel
Ford
Ford Description: Rear. With dual zone a/c. 2004-06. 2003-05. Fan assy. Front.
MSRP $26.20
$20.17
MSRP $26.20
$20.17
Related Parts
Part # / Description / Price
Price
HVAC Blower Motor Resistor
FORD
FORD Description: Cougar, Thunderbird. Sable, Taurus. LTD, Marquis. Exc.Automatic Temperature Controls. Factory Installed Air Cond.
Motorcraft™ HVAC Blower Motor Resistor
Ford
Ford Description: Exc.Automatic Temperature Controls. Cougar, Thunderbird. Sable, Taurus. LTD, Marquis. Factory Installed Air Cond.
